トーヨーコーケン / 楊重(建設荷役)

マイティプラーウインチ(MA-7)

業界トップの実績。堅牢・コンパクト・安全性に優れた定置型ウィンチ

あらゆる使用条件に適切に対応。定置型ウインチの決定版!マイティプラーは堅牢、コンパクトかつ安全性に優れた定置型ウインチで、苛酷な使用条件にも高性能を発揮します。

<確認事項>
●荷重
●ロープ速度
●ワイヤー(販売)
●フック(販売)
●金車(レンタル)
●プラグ取付(有償)

  • レンタル商品コード
    007065
  • 商品名
    マイティプラーウインチ(MA-7)
  • メーカー型番
    MA-7(S)
  • メーカー商品名
    マイティプラー
  • 日極保証日数
    5日

使用上のご注意

●設置の際、固定ボルト穴は現物合わせにてお願いいたします。
●ワイヤ付出返却されると巻戻、処分料が別途必要になります。
●駆動時、出力の3倍以上の電源が必要です。
●捨て巻は10m必要ですので、ワイヤー注文時にプラスしてください。(クレーン等構造規格による)
インチング(小刻みなボタン操作)は接点の焼付等破損の原因となります。微調整が必要な場合は、低速型又はインバーター制御器のご使用をおすすめいたします。

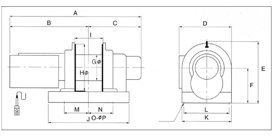
主要寸法図

マイティプラー販売品 価格表

MA型電源コード 長さ換算表 AC200V

ワイヤーロープ巻取表/●破断荷重はワイヤーロープ種類 φ4~6 6~19 6×19 裸B種 φ8以上×24 裸・メッキA種を表示/●太字は標準仕様を表します。

寸法表

  • A
    1185
  • B
    672
  • C
    513
  • D
    533
  • E
    652
  • F
    375
  • ドラム寸法 G
    φ242
  • ドラム寸法 H
    φ445
  • ドラム寸法 I
    270
  • J
    800
  • K
    470
  • L
    420
  • M
    300
  • N
    300
  • 穴数 O
    4
  • φ P
    24
  • ロープ巻取量 kg
    Φ12×150

仕様

  • 電源
    三相 200V
  • 定格荷重 kg 50Hz
    1,000
  • 定格荷重 kg 60Hz
    850
  • ロープ速度 m/min 50Hz
    35
  • ロープ速度 m/min 60Hz
    42
  • モーター出力  KW
    6.1
  • 重量 kg
    350

見積リストに追加しました

AIに相談する

ページ上へ
CONTACT

お問い合わせ・お見積り・ご相談

※ 法人様のみのご対応とさせていただきます。

プラント工事のための
機械・通信機器・機材・備品レンタル

TEL.0436-61-7990

(受付時間 9:00~17:00)

FAX.0436-61-7991