菱小 / 吊り具(建設荷役)

永磁リフティングマグネット(1000K)

鋼板・形鋼 ・丸棒鋼など形状を選ばない搬送吊り用

■用途
鋼板・形鋼 ・丸棒鋼など形状を選ばない搬送吊り用 です。

■特長
ネオジウム磁石を使用しています。
単純なレバー操作。電源バッテリーなどは不要です。

  • レンタル商品コード
    007030
  • 商品名
    永磁リフティングマグネット(1000K)
  • メーカー型番
    PLN1000
  • メーカー商品名
    永磁リフティングマグネット PLN
  • 日極保証日数
    3日

仕様

  • ストック番号
    S961341
  • 鋼板吊上力* kgf
    1000
  • 丸棒吊上力* kgf
    500
  • 丸棒径 φmm
    100~300
  • 重量 kg
    40

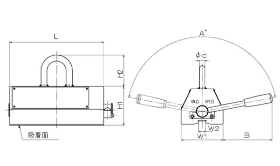
本体寸法 mm

  • H1
    125
  • H2
    110
  • L
    305
  • W1
    146
  • W2
    25
  • φd
    20

ハンドル部

  • 170°
  • B
    (170)

*AISI1020(JIS:S20C)、√1.6(▽▽▽面)、t76mm以上、空隙0mm

見積リストに追加しました

AIに相談する

ページ上へ
CONTACT

お問い合わせ・お見積り・ご相談

※ 法人様のみのご対応とさせていただきます。

プラント工事のための
機械・通信機器・機材・備品レンタル

TEL.0436-61-7990

(受付時間 9:00~17:00)

FAX.0436-61-7991