オグラ / 鉄筋・木材加工(電動工具)

鉄筋ベンダー

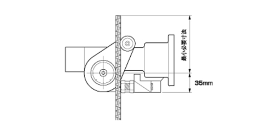
配筋済みD16鉄筋の180°曲げ加工が可能

小型軽量のフックベンダー。
現場での仕上げ段階での鉄筋曲げ加工ができます。
スプール機構により無段階の曲げ加工ができます。

  • レンタル商品コード
    006072
  • 商品名
    鉄筋ベンダー
  • メーカー型番
    HBB-180
  • メーカー商品名
    電動油圧式鉄筋曲げ機
  • 日極保証日数
    3日

仕様

  • モーター
    単相100V 4500W 50/60Hz
  • 曲げ能力
    SD345相当品=490N/mm²(50kgf/mm²)最大D16
  • 曲げ速度
    180°曲げ 8秒
  • 本体質量 kg
    12.5
  • 外形寸法 L×W×H mm
    530×178×110
  • 曲げ角度範囲
    0~180°の範囲
  • 標準付属品
    商品ケース
    油圧オイル(容器付)150cm³
    接地アダプター
    注油用ロックワイヤ
    六角棒レンチ(1.5・2.5・3・4・5・6・8)
    スパナ(17×19)

付属品

  • 商品ケース

  • 油圧オイル(容器付)150cm³

  • 接地アダプター

  • 注油用ロックワイヤ

  • 六角棒レンチ(1.5・2.5・3・4・5・6・8)

  • スパナ 17×19mm

見積リストに追加しました

AIに相談する

ページ上へ
CONTACT

お問い合わせ・お見積り・ご相談

※ 法人様のみのご対応とさせていただきます。

プラント工事のための
機械・通信機器・機材・備品レンタル

TEL.0436-61-7990

(受付時間 9:00~17:00)

FAX.0436-61-7991