イクラ / 充電式(電動工具)

充電式パンチャー

ハイブリッド完全複動。
業界初の36V搭載で、最軽量。

1回の充電で90回打抜きができ、さらに負荷時でも360°回転する、電動油圧充電式パンチャーです。
普段はばねの力でスピーディに戻り、噛みこみ時は油圧の力で戻るためストレスになりにくい。

  • レンタル商品コード
    004049
  • 商品名
    充電式パンチャー
  • メーカー型番
    ISK-MP20LF
  • メーカー商品名
    コードレスパンチャー
  • 日極保証日数
    3日

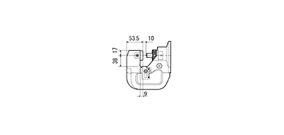
ヘッド部基本寸法図(mm)

仕様

  • モーター
    DC36V
  • 電源
    バッテリーパック DC36V 2.5Ah(リチウムイオン)
    充電器 AC100V 50/60Hz
  • 充電時間 分
    32
  • ストローク mm
    18
  • 質量 kg
    10.5(バッテリーパック含む)

付属品

  • 片口スパナ#10・17

  • 六角棒レンチ#3

  • ポンチホルダー締付バー

  • バッテリーパック

  • 充電器

  • キャリングケース(樹脂製)

販売品

  • ポンチ・ダイスセット

見積リストに追加しました

AIに相談する

ページ上へ
CONTACT

お問い合わせ・お見積り・ご相談

※ 法人様のみのご対応とさせていただきます。

プラント工事のための
機械・通信機器・機材・備品レンタル

TEL.0436-61-7990

(受付時間 9:00~17:00)

FAX.0436-61-7991